1. 91抖阴网站在线观看,91抖阴视频在线观看,91抖阴视频污下载,91抖阴视频免费版视频

      欢迎访问佛山市91抖阴视频在线观看传感仪器有限公司官网!

      解决方案

      产品分类

      联系91抖阴网站在线观看

      佛山市91抖阴视频在线观看传感仪器有限公司

      联系人:张总

      电话:0757-22300095

      手机:18902563858

      邮箱:931199351@qq.com

      传真:0757-22300097

      地址:广东省佛山市顺德区勒流富安工业区光电产业园4栋303号

      网址:www.ncgttw.com


      HDK104智能91抖阴视频污下载控制器

      您的当前位置: 首 页 >> 产品中心 >> 91抖阴视频污下载控制器

      HDK104智能91抖阴视频污下载控制器

      • 所属分类:91抖阴视频污下载控制器

      • 品牌:91抖阴视频在线观看
      • 点击次数:
      • 发布日期:2023/08/26
      • 在线询价
      • 详细介绍

      HDK104智能91抖阴视频污下载控制器是集91抖阴视频污下载测量、显示、输出、控制于一体的智能数显91抖阴视频污下载测控产品。该产品为全电子结构,前端采用带隔离膜充油压阻式91抖阴视频污下载传感器或应变式无腔91抖阴视频污下载传感器,由高精度的A/D转换,经微处理器运算处理,现场显示并输出一路模拟量(4~20MA)和两路开关量。
             该智能数字91抖阴视频污下载控制器使用灵活,操作简单,调试容易,安全可靠。

      仪表应用】:

          广泛应用于水电,自来水,石油,化工,机械,液压等行业,对流体、熔体介质的91抖阴视频污下载进行现场测量显示和控制。

      仪表特点】:

      ◆三个单位随意切换
      ◆采用高精度91抖阴视频污下载传感器,比机械91抖阴视频污下载开关精度高,迟滞小,响应快,稳定可靠;
      ◆两路220V,3A,单刀双掷继电器(常开常闭),最大限度满足客户灵活使用的需要。
      ◆全部软件校正,抗震动,抗干扰设计
      ◆标准仪表安装,外型小巧,安装方便

      ◆4位LED数码管显示,无视值误差.
      ◆两路控制点继电器输出(调节无死区,全量程设定继电器动作,且有回差设置功能,可防止91抖阴视频污下载波动带来反复动作)
      ◆可选配4~20mA标准信号输出
      多种螺纹接口可选,可以根据客户实际需要定制
      ◆低价格,高精度,高可靠性,替代各种
      91抖阴视频污下载继电器、电接点91抖阴视频污下载表、机械91抖阴视频污下载开关、指针91抖阴视频污下载表

      【技术参数】:

      量程范围

      -0.1~100MPa

      精度等级

      0.25%FS/0.5%FS

      过载能力

      200%

      91抖阴视频污下载类型

      表压

      稳定性

      ≤0.1% /年

      电源电压

      24VDC

      显示方式

      0.56"数码管

      显示范围

      -1999~9999

      环境温度

      -20℃~70℃

      相对湿度

      ≤80%

      安装螺纹

      M20*1.5等

      材质

      不锈钢

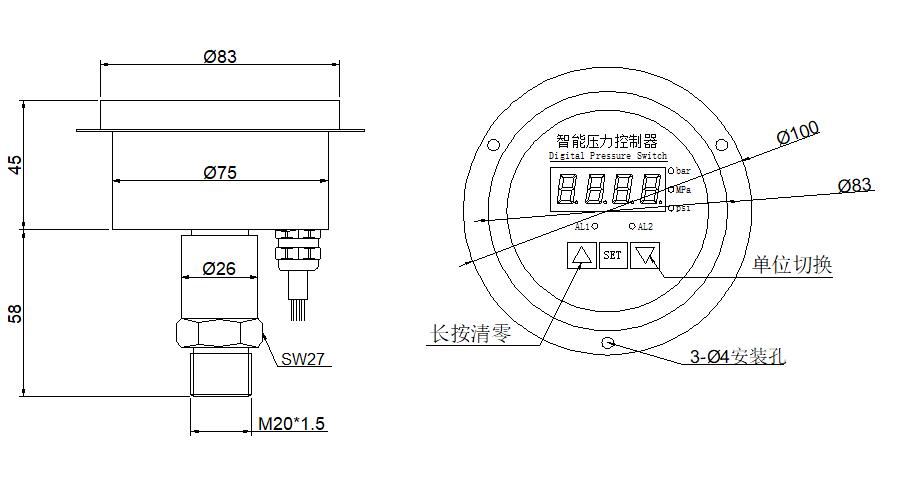
      【尺寸图(单位mm)】:

      径向91抖阴视频污下载控制器尺寸图

      轴向91抖阴视频污下载控制器尺寸图

      面板式安装91抖阴视频污下载控制器尺寸图

      本文网址:http://www.ncgttw.com/product/610.html

      关键词:玻璃胶管道91抖阴视频污下载控制器,油压91抖阴视频污下载控制器,气压91抖阴视频污下载开关

      最近浏览:

      相关产品:

      相关新闻:

      欢迎给91抖阴网站在线观看留言
      请在此输入留言内容,91抖阴网站在线观看会尽快与您联系。
      姓名
      联系人
      电话
      座机/手机号码
      邮箱
      邮箱
      地址
      地址
      网站地图