
佛山市91抖阴视频在线观看传感仪器有限公司
联系人:张总
电话:0757-22300095
手机:18902563858
邮箱:931199351@qq.com
传真:0757-22300097
地址:广东省佛山市顺德区勒流富安工业区光电产业园4栋303号
网址:www.ncgttw.com




HDP703K卫生型卡箍91抖阴视频污下载变送器
HDP301(标准型) HDP301W(微压型) HDP301H(高温型) HDP301F(防水型)
HDP301S(常规数显型) HDP302(航插型) HDP304(大平膜型) HDP305(卫生专用型)
本系列卫生型91抖阴视频污下载变送器弹性体采用进口材质、膜片隔离工艺、测试头无引压孔,测量过程中不存在粘稠介质堵塞的情况,一体化结构设计。 广泛适用于化工涂料、油漆、泥浆、沥青、原油等粘稠介质的91抖阴视频污下载测量与控制。
产品概述及特点:
A、采用进口电阻应变计或扩散硅感压芯片;
B、先进的制造工艺,具有零点、满量程补偿,温度补偿;
C、高精度和高稳定性放大集成电路;
D、隔离膜片设计,一体化结构设计、抗冲击、耐疲劳、可靠性高;
E、平面膜连接方式,防止介质堵塞;
F、输出信号多样化(通用的模拟量输出、数字RS485/RS232输出、GPRS无线传输);
G、结构小,外径最小可达26mm;
H、可直接配套就地显示表头(输出为4~20mA二线制)
产品应用:
A、化工涂料、油漆、泥浆、沥青、原油等粘稠性液体91抖阴视频污下载测量;
B、带有颗粒、杂质的气压测量;
C、熔体91抖阴视频污下载测量;
产品主要参数:
被测介质: 气体、液体、熔体(弱腐蚀性粘稠介质)
量 程: -100KPa~10KPa~0~10KPa~600KPa~150 Mpa间任意可选(量小量程为10KPa,量大量程为150MPa)
输 出: 模拟量输出:4~20mA(二线制/三线制)、0~5VDC、0~10VDC、0.5~4.5VDC(三线制)
数字量输出:RS485、RS232、无线短距离(视距2000米)网络传输、GPRS无线传输
综合精度: ±0.25%FS、±0.5%FS
供 电: 传感器10VDC(5~12VDC)、变送器24VDC(12~36VDC)
绝缘电阻: ≥1000 MΩ/100VDC
负载电阻: 电流输出型最大800Ω、电压输出型大于50KΩ
介质温度: -20~85℃、-20~200℃(可选)
环境温度: -20~85℃
储存温度: -40~90℃
相对湿度: 0~95% RH
密封等级: IP65/IP68
过载能力: 150%FS
响应时间: ≤10mS
稳 定 性: ≤±0.15%FS/年
振动影响: ≤±0.15%FS/年(机械振动频率20Hz~1000Hz)
电气连接: 赫丝曼接头(国际标准);标准配线3米
卡箍连接: 1.5”、2“,其它规格可依据客户要求设计
连接材料: 316L、钽、哈氏C等
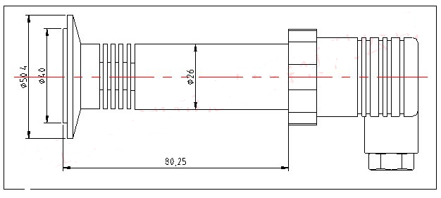
产品尺寸图(单位mm):

选型说明:
HDP305-35K-mA-C-K50
量程:0~35KPa;输出:4~20mA;精度:0.5%FS;安装尺寸:卡揠Φ50.4
HDP3015H-10M-4R-B-K77-200℃
量程:0~10MPa;输出:RS485;精度:0.25%FS;安装尺寸:卡揠Φ77.5;结构型号:高温200℃
特殊产品可按要求定制!