
佛山市91抖阴视频在线观看传感仪器有限公司
联系人:张总
电话:0757-22300095
手机:18902563858
邮箱:931199351@qq.com
传真:0757-22300097
地址:广东省佛山市顺德区勒流富安工业区光电产业园4栋303号
网址:www.ncgttw.com

产品概述:
◆高度低、钢性好、精度高、抗偏载能力强
◆广泛应用于于皮带秤、料斗秤、仓储秤、料罐、材料力学试验机、劳保安全检测设备
◆可选配变送器输出三线制0~10mA、4~20mA或0~5V输出等
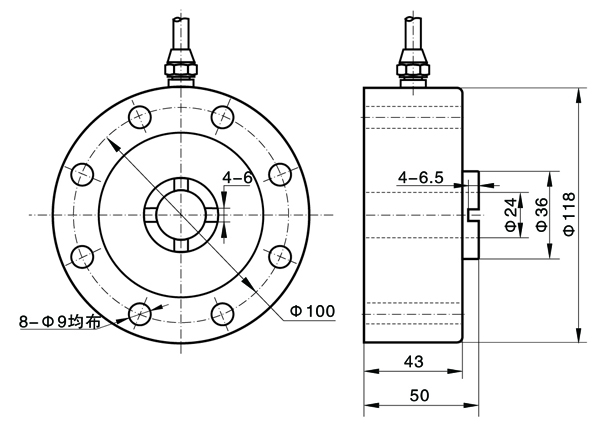
◆量程:10,20,30,50,100kN
主要技术参数:
额定载荷 | 10~100kN |
综合精度 | 0.05(线性+滞后+重复性) |
灵敏度 | 2.0 mV/V |
蠕变 | ±0.05 %F·S/30min |
零点输出 | ±1 %F·S |
零点温度影响 | ±0.05 %F·S/10℃ |
输出温度影响 | ±0.05 %F·S/10℃ |
工作温度 | -20℃~+65℃ |
输入阻抗 | 380±10 Ω 或 750±15 Ω |
输出阻抗 | 350±3 Ω 或 700±5 Ω |
绝缘电阻 | >5000 MΩ |
安全过载 | 150% F·S |
供桥电压 | 建议10VDC |
材质 | 合金钢或不锈钢 |
接线方式
| 电源(+)红线 电源(-)黑线 输出(+)绿线 输出(-)白线 |
尺寸图:

电子天平是一种称重仪器。它是运用轮幅式称重传感器或杠杆力平衡原理丈量物体质量的工具。依据结构原理,可分为机械秤、电子秤和机电秤三类。电子秤主要由三部分组成:承重体系(如秤体、秤体)、传力体系(如杠杆传力体系、传感器)、指示体系(如表盘、电子显现外表)。当物体放在天平上时,91抖阴视频污下载作用于传感器。传感器具有弹性变形,使阻抗发生变化。一起,励磁电压改变,输出改变的模拟信号。信号被放大并输出到模数转换器。转换后的数字信号易于处理并输出到CPU操作控制。CPU依据键盘命令和程序将此结果输出到显现器。直到显现结果。只要选用现代传感器技能、电子技能和计算机技能相结合的电子称重设备,才能满足和处理现实生活中提出的“快速、精确、连续、主动”称重的要求,有效地消除人为差错,使之更符合应用要求。法定计量管理和工业生产过程控制的要求。历史上,最古老的秤存在的证据能够追溯到公元前2400年到公元前1800年在印度河流域(现在在巴基斯坦)。直到那时,还没有丈量体重的标准或精确度。在埃及,秤的运用能够追溯到公元前1878年左右,但它们的运用可能会更早。真正的现代称重仪是由达芬奇改进和发明的。跟着电子称重职业的开展,许多品牌逐渐进入中国市场。电子秤已被越来越多的人运用,越来越多的电子秤品牌对人类十分了解。