
佛山市91抖阴视频在线观看传感仪器有限公司
联系人:张总
电话:0757-22300095
手机:18902563858
邮箱:931199351@qq.com
传真:0757-22300097
地址:广东省佛山市顺德区勒流富安工业区光电产业园4栋303号
网址:www.ncgttw.com
非接触式小型动态扭矩传感器">扭矩传感器是我公司在应变桥专用技术基础上研制开发的新产品,适用于各类要求体积小、转速高的扭矩测量场合。
· 输出5~15kHz频率信号或4~20mA电流信号,适合远距离传输。
· 本产品尺寸小、使用安装简便、信号抗干扰能力强,是替代进口扭矩传感器的理想产品
· 非接触式,无磨损,最高转速8000RPM
· 适合长期高速旋转的工况
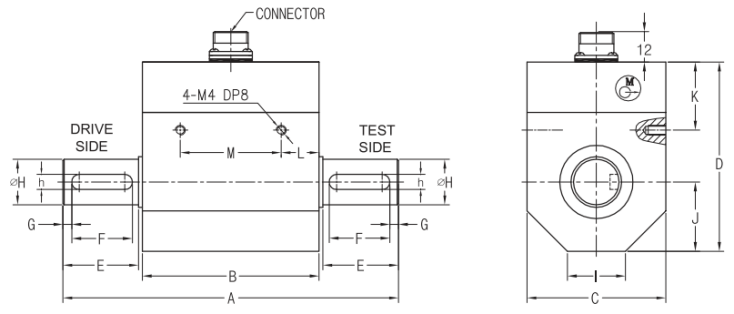
量程 | 3,5,10,20,30,50,100Nm |
供电电源 | ±15V DC(适用频率信号输出)、24V DC(适用电压或电流信号输出) |
扭矩信号 | 5~15Khz(幅值12V,零点10kHz)、4~20mA、1~5V、0-10V(可选) |
转速范围 | 0~1000、3000、6000、8000转/分 |
转速信号 | 标准产品不带测转速,如果带测转速长度增加30mm |
精度 | ±0.25%、±0.5% |
年稳定性 | 0.25%/年 |
绝缘电阻 | ≥2000MΩ(100VDC) |
环境温度 | -20~60℃(可定制高温型-20~120℃) |
相对湿度 | 0~90%RH |
过载能力 | 150% |
频率响应 | 1ms |

