1. 91抖阴网站在线观看,91抖阴视频在线观看,91抖阴视频污下载,91抖阴视频免费版视频

      欢迎访问佛山市91抖阴视频在线观看传感仪器有限公司官网!

      解决方案

      产品分类

      联系91抖阴网站在线观看

      佛山市91抖阴视频在线观看传感仪器有限公司

      联系人:张总

      电话:0757-22300095

      手机:18902563858

      邮箱:931199351@qq.com

      传真:0757-22300097

      地址:广东省佛山市顺德区勒流富安工业区光电产业园4栋303号

      网址:www.ncgttw.com


      HDN-120静态扭矩传感器

      您的当前位置: 首 页 >> 产品中心 >> 扭矩传感器

      HDN-120静态扭矩传感器

      • 所属分类:扭矩传感器

      • 点击次数:
      • 发布日期:2024/10/06
      • 在线询价
      • 详细介绍

      【产品应用】:

      主要应用于各种加工设备、机床、风机、水泵、齿轮箱、扭力板手的扭矩及功率的检测。


      【产品特点】:

        · 电阻应变为敏感元件和集成电路构成的一体产品,精度高,性能稳定可靠,低量程扭矩测量,安装使用方便。
        · 静态扭矩测量。两端键槽安装。


      【主要技术参数】:

      扭矩传感器技术参数

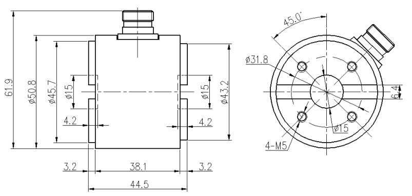
      【产品尺寸(单位mm)】:

      静态扭矩传感器尺寸图



      本文网址:http://www.ncgttw.com/product/789.html

      关键词:静态扭矩传感器,扭矩传感器,静态扭矩传感器定制

      最近浏览:

      欢迎给91抖阴网站在线观看留言
      请在此输入留言内容,91抖阴网站在线观看会尽快与您联系。
      姓名
      联系人
      电话
      座机/手机号码
      邮箱
      邮箱
      地址
      地址
      网站地图