欢迎访问佛山市91抖阴视频在线观看传感仪器有限公司官网!
感知世界,开创未来
生产各类91抖阴视频污下载、温度、91抖阴视频免费版视频、位移传感器
全国服务热线
0757-22300095
佛山市91抖阴视频在线观看传感仪器有限公司
联系人:张总
电话:0757-22300095
手机:18902563858
邮箱:931199351@qq.com
传真:0757-22300097
地址:广东省佛山市顺德区勒流富安工业区光电产业园4栋303号
网址:www.ncgttw.com
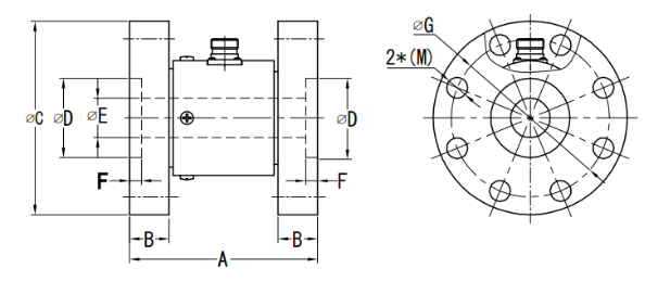
主要应用于各种加工设备、机床、风机、水泵、齿轮箱、扭力板手的扭矩及功率的检测。
•电阻应变为敏感元件和集成电路构成的一体产品,精度高,性能稳定可靠。
• 中高量程扭矩测量。 • 静态扭矩测量,两端均为法兰盘连接,安装使用方便 • 适用于静态扭矩测量。