
佛山市91抖阴视频在线观看传感仪器有限公司
联系人:张总
电话:0757-22300095
手机:18902563858
邮箱:931199351@qq.com
传真:0757-22300097
地址:广东省佛山市顺德区勒流富安工业区光电产业园4栋303号
网址:www.ncgttw.com
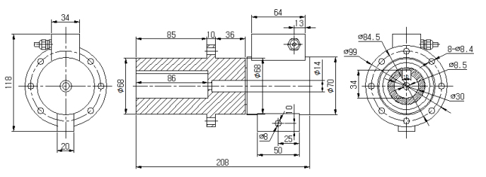
HDN-2071非接触式动态扭矩传感器主要应用于滑轮动态扭矩力的测量,也适用于各种加工设备、自动机床、电动机、发动机、内燃机等旋转动力设备,以及铁路机车、工业风机、水泵、齿轮箱、扭力板手的扭矩和功率的检测。
·非接触式
·量程 100Nm
·输出 10±5KHz, 4-20mA, ±5VDC, ±10VDC, RS485/232
·不锈钢轴
·最高转速12000RPM
·可带转速输出
·可带面板显示扭矩/转速/功率
量程:0-50,100Nm
供电电压:12-24VDC
精度:±0.1,±0.2%FS
零点温度影响:±0.02%FS
满度温度影响:±0.02%FS
补偿温度范围:-10~60ºC
工作温度范围:-20~75ºC
扭矩输出:10±5kHz ,4-20mA, ±5VDC, ±10VDC,RS485, RS232,CAN
供电电流:小于 100mA
电气连接:PG7 出线螺母
过载保护:200%FS
材质:轴材料 17-4PH 不锈钢,外壳为铝
选项:
转速测量:最大转速:12000RPM,60/30脉冲,4-20mA, 5V/TTL,±5VDC, ±10VDC,RS485, RS232, CAN
